设为首页
|
加入收藏
|
局长信箱
|
网站地图
|
无障碍浏览
|
长者模式
要闻动态
政务公开
政务服务
网上办事
互动交流
当前位置:
网站首页
>
政务公开
>
政府信息公开年报和政府网站年报
>
政府网站年报
政府网站年报
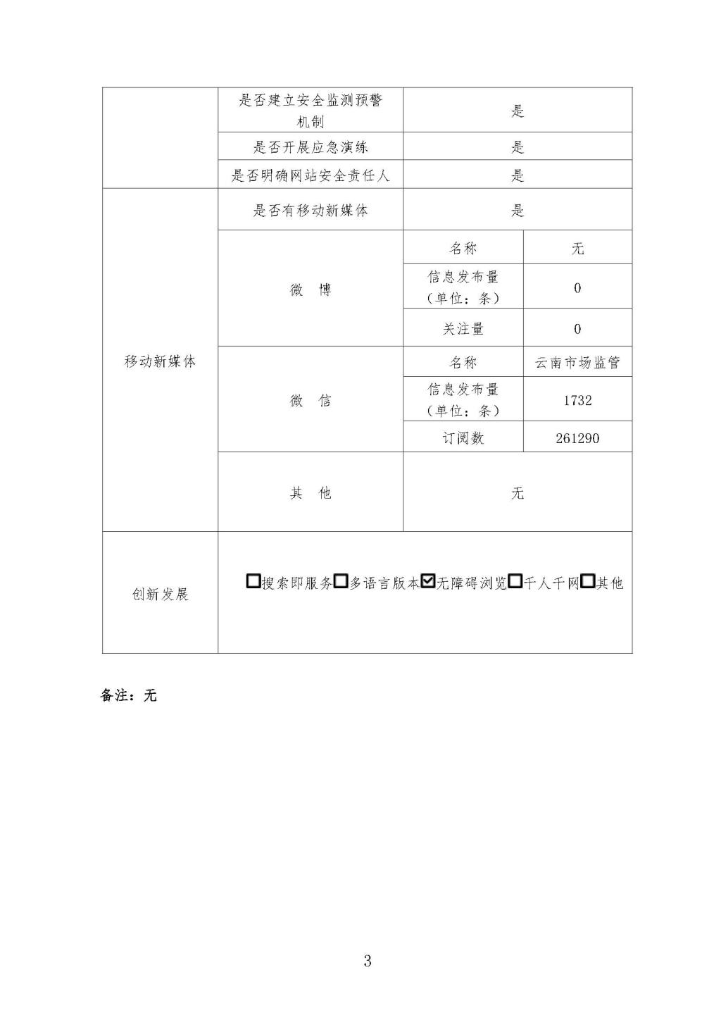
政府网站工作年度报表(2025年度)——云南省市场监督管理局
索引号:202618180001
发布机构:云南省市场监管局
成文日期:
发文字号:
发布日期:2026-01-29 11:36
公文范围:公开
【
打印
】
【
关闭窗口
】